用8038制作多波形信号发生器
信号发生器在电子产品研发过程中使用广泛,但对于电子爱好者来说,个人购买一台信号发生器来使用又显得不太合适,本文提供一个可产生多种波形的信号发生器电路,有兴趣的电子爱好者可以自制一个,作为信号发生器来使用。电路原理图如下图所示。

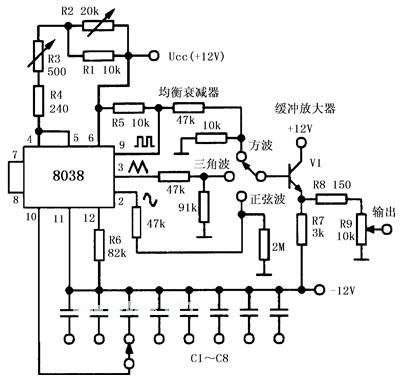
图中的8038 为函数发生器专用IC,它具有3 种波形输出,分别正弦波、方波和三角波,8038的第10脚外接定时电容,该电容的容值决定了输出波形的频率,电路中的定时电容从C1至C8决定了信号频率的十个倍频程,从500μF开始,依次减小十倍,直到5500pF,频率范围相应地从0.05Hz~0.5 Hz~5Hz~50Hz~500Hz~5kHz~50kHz~500kHz,如果C8取250pF,频率可达1MHz。图中的V1、R7、R8构成缓冲放大器,R9 为电位器,用于改变输出波形的幅值。
整个电路的频率范围为0.05Hz~1MHz,占空比可以从2%至98%调整,失真不大于 1%,线性好,误差不大于 0.1%,因此电路很有实用价值。
- 刊登此文只为传递信息,并不表示赞同或者反对作者观点。
- 如果此内容给您造成了负面影响或者损失,本站不承担任何责任。
- 如果内容涉及版权问题,请及时与我们取得联系。
上一篇:电视机用简易无线耳机
下一篇:红外线探测报警器

文章评论